


























































































































































































































































































































































































































































































































































軍用無線機 船舶無線機 短波受信機 米軍最新兵器情報 アマチュア無線など





























































































































































































































































































































































































































































































































































静岡県浜名郡和田村(今の静岡県浜松市東区安新町)に生まれた。静岡師範学校を経て1921年、東京高等工業学校(現・東京工業大学)附設工業教員養成所卒業。同年、神奈川県立工業学校(現・神奈川県立神奈川工業高等学校)教諭、1924年(大正13年)に浜松高等工業学校(現・静岡大学工学部)助教授となり「無線遠視法」(テレビジョン)の研究を本格的に開始する。
大正天皇が崩御した1926年12月25日、高柳はブラウン管による電送・受像に世界で初めて成功した[1]。送像側にニプコー円板を、受像側にブラウン管を用いて、片仮名の「イ」の文字を送受像した[1]。走査線の数は40本だった。「イ」の文字はいろは順の最初の文字として選んだ。
1937年、NHKに出向し東京オリンピックのテレビ放送を目指してテレビ受像機の研究を本格的に開始。しかし1938年に日中戦争が激化するなどで東京オリンピックは中止、テレビの研究も中断させられレーダーや奮龍の誘導装置などの研究をすることになる。
終戦後、NHKに戻ってテレビの研究を再開するがGHQの指令によりテレビの研究を禁止させられた。
その後、1946年に日本ビクターに高柳の弟子と共に入社。自身が中心となりNHK、シャープ、東芝と共同でテレビ放送技術とテレビ受像機を完成させた。
1946年産官学共同でテレビ技術の研究開発を行う団体として組織されたテレビジョン同好会(1950年テレビジョン学会に改称)の委員長に就任。同学会はその後文部省認可の社団法人テレビジョン学会(1996年に社団法人映像情報メディア学会と改称)に改組された。同学会は初代会長・丹羽保次郎とともに健次郎の功績を記念して、優れた研究・業績に対する丹羽高柳賞を設定している。
高柳らによる実験を模擬的に再現している教材が、日本ビクター久里浜技術センターにある記念館、NHK放送博物館、後述する静岡大学にある記念館、各地の科学館、などにある。
高柳の教え子には浜松ホトニクスの創業者・堀内平八郎、松下電器製作所(現・パナソニック)の久野古夫などがいる。
浜松市中区城北にある静岡大学浜松キャンパス内に静岡大学高柳記念未来技術創造館があり、高柳の業績の一部が収蔵・展示されている。また、同館内には、IEEEマイルストーンの銘板、胸像がある。
2011年1月20日、誕生日を記念してGoogle日本版のホームページのロゴが特別バージョンとなった(画像)。
機械式テレビジョン(Mechanical Television)は、窓付きの回転する円盤を用いて走査を行うなどの機械的な方式により、テレビジョンを実現する技術である。比較的初期のテレビジョンにおいて用いられた。撮像と表示には機械を使用するが、映像の伝送にはエレクトロニクスと電波が用いられていた。
その後、1920年代に撮像管やブラウン管などを応用した電子式のテレビジョンが開発され、機械式テレビジョンは陳腐化したが、1980年代に開発されたDLPは、デジタルミラーデバイスを応用した新たな機械式テレビジョンである

最初の機械的ラスタースキャン技術は、19世紀にワイヤーによる静止画送信のファクシミリ用に開発された。1843年から1846年に、アレクサンダー・ベインはファクシミリ機を導入した。1851年に、フレデリック・ベイクウェルは実用的な実験室バージョンを示した。1856年以降、ジョヴァンニ・カゼッリによって、電信線で動作する最初の実用的なファクシミリシステムは開発され、実際に使用された[1][2][3]。
1873年に、ウィロビー・スミスは、元素セレンの光伝導性を発見し、ほとんどの機械式スキャンシステムでピックアップとして使用されたセレンセルの基礎を築いた。
1885年、オーストラリアのバララットにいたヘンリー・サットン は、ニプコー円板システム、セレンフォトセル、ニコルプリズム、カー効果セルに基づいて、電信線を介して画像を送信するためのテレファンと呼ばれるものを設計した。 1890年に、サットンの設計は国際的に公開された。静止画像を送信および保存するためのその使用の説明は、1896年にワシントンのイブニングスターで公開された。
画像の瞬間的な送信の最初のデモンストレーションは、テレビ受信機のピクセルとして25個のセレンセルを配置したドイツの物理学者エルンスト・ルーマーによって行われた。1909年後半、彼はベルギーで、パレ・ド・ジャスティス(ブリュッセル)から115 km(71マイル)の距離にあるリエージュ市への電話線による簡単な画像の送信を成功裏に実証した。このデモンストレーションは、当時「世界初のテレビ機器の実用モデル」と評されていた。要素の数が限られているため、彼のデバイスは単純な幾何学的形状しか表現できず、コストが非常に高かった。セレンセルあたり15ポンド(45米ドル)の価格で、4,000セルシステムは60,000ポンド(180,000米ドル)の費用がかかり、10,000セルのメカニズムは「風景の背景を必要とするシーンまたはイベント」を再現できると見積もっていた。150,000ポンド(450,000米ドル)の費用がかかった。ルーマーは、ブリュッセル万国博覧会が、博覧会のショーケースとして、大幅に多くのセルを備えた高度なデバイスの構築を後援することへの期待を表明した。しかし、250,000ポンド(750,000米ドル)の推定費用は高すぎることが判明した

DLPはスクリーン側と何もない側の二方向に可動する鏡を画素ごとに配置し、光の有無を制御している
レンズを使って画像を円板に直接投影する。螺旋上のそれぞれの穴から画像の水平なスライスが得られ、センサーがそれを明るさのパターンとして検出する。この信号を光に変換し、同期して回転する別のニプコー円板を通して再構成することで同じ画像が得られる。ただし、この場合得られる画像の大きさはオリジナルと同じである。
回転するニプコー円板を通して物体を見たとき、比較的小さな扇形の窓(例えば円板の8分の1から4分の1の角度)を通して見ると、物体が回転する穴の軌跡を通して見えることになる。円板の回転が十分高速であれば、物体は完全に見えることになる。これはちょうど映画の撮影と似ており、動きを捉えることもできる。
直観的には、黒い厚紙の円板の一部だけをくりぬいて回転させることを想像すれば理解できるだろう。
ニプコー円板の画像走査器具としての弱点は、走査線が直線ではなく、曲線を描いている点である。現代の電気式テレビは走査線で画像の上端から水平方向に走査し、順次下方に移動させてゆくが、ニプコー円板では画像の外縁から渦巻状に順次中心向かって収斂する連続の点で走査することとなる。従ってニプコー円板は非常に大きな径が望ましく(つまり曲率が小さい)、窓はなるべく小さいのが望ましい。よりよい画像を得るには、なるべく小さな穴(マイクロメートル単位程度)を円板の外周に近い部分に開けることも考えられるが、技術革新によって画像走査法としては電子式が主流となった。
ニプコー円板の数少ない利点として、センサ(光を電気信号に変換する機器)として単純なフォトレジスタやフォトダイオードが利用可能である点が挙げられる。ニプコー円板とセンサだけで画像が走査され、あとはタイミングを合わせる機構だけを考えればよい。ニプコー円板を駆動するモーターと光センサ、結像のための器具(レンズなど)だけで簡単な撮影機器が構成できる。
別の利点として、受像機器と撮像機器がほぼ同じ構成で製作可能という点が挙げられる。この場合、光センサを光源に置き換えて、送られてきた信号でその光源を駆動すればよい。同期の方法は別途考えねばならない(手動から電気信号制御まで各種の案がある)。
スコットランドの発明家ジョン・ロジー・ベアードは、これらの特徴を生かして世界初の機械式テレビを開発した。また、1920年代の実験的な画像ラジオ放送もニプコー円板を利用していた。


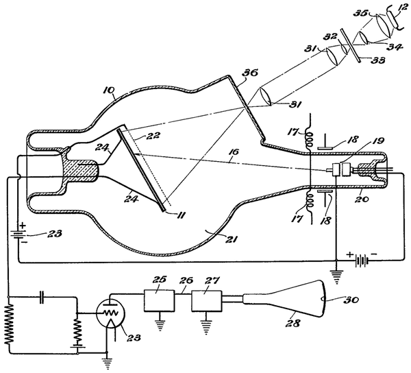
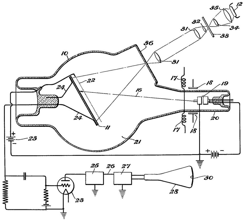
高柳はブラウン管を使用した電子式テレビジョンを世界で初めて提案しました。当時(大正13年~15年)(1924~26)はテレビカメラとしての送像の装置が電子式のものがなかったので、とりあえず、ニポー円板を用いて送像装置としての信号作りを行いました。
図において、墨で「イ」の字を書いた雲母版をニポー円板の直前に置き、ランプハウスから照明をあてるとき、ニポー円板には渦巻状に小さい穴が開いており、穴を通過した光は、ニポー円板の後ろに置いた光電管に光が入り電気信号を発生する。雲母版の墨の部分は光が透過せずに信号は無くなる。ニポー円板が回転すると「イ」の字を線状に走査することになり、電気信号が得られる。これを、増幅し電気信号として伝送し、受像機側でブラウン管の電子ビームを強弱して変調し、ニポー円板と同じようにブラウン管の電子ビームを走査すれば、ブラウン管上に「イ」の字が再現される。
ニポー円板の回転とブラウン管の電子ビームの走査とのタイミングを合わせなければならないので、ニポー円板の穴の隣にもう一つのタイミング用(同期信号)の穴がある。
撮像管(さつぞうかん)は被写体の像を電気信号に変換(撮像素子)するための電子管である。テレビのプロセスの最初の段階を担う部分であり、固体撮像素子による撮像板に変わるまではビデオカメラの心臓部であった。のちに固体撮像素子が登場し、その後主流は管から板に変わっている。
機能部は真空にした筒状のガラス管に封入されており、先端に配置された撮像面に光学系により被写体の光学像を投影し、光の強弱を電気信号として取り出すものである。光-電気変換には、一般に内部光電効果を応用した光導電膜を用いることが多く、光導電膜の素材により様々な撮像管が開発された。例えば初期の撮像管であるビジコンには三硫化アンチモンを用いたものある。光の強弱によるこの光導電膜の抵抗変化を、撮像管を囲むように配置した偏向コイルなどによって走査される陰極からの電子ビームで外部に読み出すのが基本動作原理である。
世界で初めて作られた撮像管は1927年にフィロ・ファーンズワースのつくったイメージディセクタであり、実用的な撮像管として最初のものは1933年にウラジミール・ツヴォルキンのつくったアイコノスコープ (Iconoscope ) である。
電子管の一種であることから、固体撮像素子に比べて性能維持や調整に手間がかかる。また固体撮像素子の品質が向上し、放送用として充分な画質を得られるようになったことから次第に固体撮像素子に置き換わり、現在では高感度暗視カメラなどの特殊な用途に使われている
イメージディセクタ (Image dissector ) は1927年にフィロ・ファーンズワース(P. T. Farnsworth )が発明した世界初の撮像管である。感度が低く実用にはならなかった。
ティハニィ・カールマンが電子カメラ管を発明した5年後の1931年、ウラジミール・ツヴォルキン(Vladimir Zworykin )は画像を光反応物質で捉えることに特化した真空管の特許を出願した。光電面に光が照射されて電荷が生じた所を電子線により走査する事で電荷量に応じた電流が流れることで画素の光の強弱を電気信号に変換する仕組みである。イメージディセクタと比較して約5000ルクスでの撮影が可能と高感度で、容易に鮮明な画像を得ることができた。アイコノスコープは1936年から1946年までのあいだ、イメージオルシコンに置き換えられるまで初期のアメリカでの放送に用いられた
構造は右図のようになっており、図の右上からレンズを通って入射した画像は光電面に投影される。光量に応じ光電素子のモザイクに電荷が蓄積される。陰極線が光電面を走査すると電荷が放電し、図の左から増幅器へ画素の明るさに応じた電流が流れる仕組みになっている。

イメージオルシコン (Image Orthicon 、IO)は上記のイメージディセクタにRCAのアルバート・ローズ (Albert Rose ) 、Paul K. Weimer,とHarold B. Lawが発明したオルシコン技術を組み合わせたもので、1939年から1940年に原型が開発された。その後、アイコノスコープを置換しテレビの分野に大きな影響を与えた。1960年代まで一般的に使用されていた。その名はテレビ普及開始時代の撮像管の代名詞のように扱われる。
業界での愛称が"Immy"で、これを女性化した"Emmy" がアメリカのテレビドラマを始めとする番組のほか、テレビに関連する様々な業績に与えられる賞であるエミー賞の名前の由来である



高柳健次郎は明治32年(1899)静岡県浜名郡和田村(現:浜松市安新町)に、高柳太作・みつの長男として生まれました。小さい頃は体が弱かったのですが、母親の手厚い養育の結果、和田尋常小学校を卒業しました。
健次郎は、教師になりたいと思い、静岡師範学校(現:静岡大学教育学部)に進みました。そこで、物理学ことに電子による蛍光発光に強い興味を持ち、東京高等工業学校(現:東京工業大学)に進学し、大正10年同校を卒業しました。その後、神奈川県立工業学校の教師となりましたが、これは、高柳の希望を満足させるものではありませんでした。
大正13年、浜松に新設された浜松高等工業学校(現:静岡大学工学部)の助教授として迎えられ、かねてよリ考えていたテレビジョンの研究をしたい、という希望を校長に申し出て、ここで「無線遠視法」(現:テレビジョン)の研究を始めました。当時ラジオ放送も未だ一般的には普及していない頃で、普通の人には想像もつかないものでした。
大正15年(1926)ニポー円板による撮像とブラウン管による表示方法で「イ」の字の表示に成功しました。ブラウン管を使った電子式テレビジョンの世界最初の実験でした。昭和5年(1930)には昭和天皇にもテレビジョンの実験をお見せすることができました。その後、昭和10年にはアイコノスコープによる撮像方式を取り入れ、全電子式テレビジョンを完成させました。
この頃、テレビジョンの将来性に期待がもたれ、昭和15年に予定されていた東京オリンピックをテレビ放送するという計画が国家プロジェクトとして取り上げられ、研究が大き<加速されました。高柳は昭和12年浜松高等工業学校教授のまま、NHK技術研究所に出向し、日本のテレビ技術開発のリーダーを努め、昭和13年には現在のテレビ規格に近い走査線数441本毎秒25枚の技術を完成させました。その後、第2次世界大戦の勃発によリテレビジョンの研究は中断されました。
戦後、高柳はテレビジョンの研究を進めるために、日本ビクター(株)に入社し、テレビジョンの技術革新とテレビ放送の実用化に尽力しました。昭和24年(1949)にはテレビジョンの放送が始まり、昭和35年にはカラーテレビの放送も始まりました。この間、高柳は日本のテレビ開発、テレビ産業技術のリーダーとして活躍しました。
昭和34年(1959)には世界に先駆けて、2ヘッド方式のビデオテープレコーダーを完成させ、ホームビデオの世界的普及とVTR産業の発展に貢献しました。このように、高柳はテレビジョンに関する技術の礎を築き、さらに、大きなテレビ産業として発展する技術のリーダーとしての役割を果たしました。その結果、日本のテレビジョンの技術は世界で最も進んだものとなりました。
こうした功績により、昭和56年(1981)文化勲章を受賞、昭和62年浜松市名誉市民に推挙され、昭和63年日本人では初めてアメリカSMPTE(映画テレビ技術者協会)の名誉会員に選ばれました。平成元年(1989)勲一等瑞宝章を授与されました。



[浜松市牛山公園] NHK放送局前(西側) |


[浜松市広沢] 西部公民館前(道路脇) |



高柳先生銅像と研究の年譜の顕彰碑
平成21年11月完成
IEEE(米国電気電子学会)マイルストーン賞受賞記念碑
旧高柳記念館は、「高柳健次郎先生の偉業を偲びテレビジョン発祥の地を記念する」ため、昭和36年9月に設立されました。平成19年11月、これを高柳記念未来技術創造館に衣替えし、高柳健次郎先生の偉業に加え、テレビジョンの社会(産業界)への波及効果についての 具体例などを展示しております。さらに、時代を創る技術開発によりマスコミに取り上げられた卒業生、および性能・サイズ・生産量などで世界一といわれる部品や製品、企業の紹介、学内で取り組んでいる最新技術や未来技術などを紹介・展示しています。なお、本館は30kWの太陽光発電を備え、断熱性に優れた構造を取り入れるなどエコロジーに考慮した施設となっています。










本館所蔵の大型コレクションは、長野県上田市在住のテレビジョン技術者である藤岡清登氏から長年にわたって収集されたテレビジョンに関する歴史的所蔵品を寄贈していただいたものですすべてにわたって丹念な整備が行われており、ほとんどが作動できる状態であるうえ、ブラウン管やテレビジョン等の構造を知ることができる装置も多く、テレビジョンの発展の歴史を直接目で見て知ることができます。ここに藤岡氏への感謝の意を表すとともに、ぜひ多くの来館者にご覧いただきたく展示いたしておりま 




















































1999年(平成11年)3月23日、日本海で能登半島沖不審船事件が発生、日本の近海で北朝鮮による工作船が暗躍している可能性が認められていた。
本事件における最初の不審船の情報は、2001年(平成13年)12月18日にアメリカ軍から情報を受け取った防衛庁により、海上保安庁(海保)へと伝達された。海保は、この情報を元に東シナ海の公海上で、漁船のような外観の国籍不明の不審船を発見し、日本の「排他的経済水域(EEZ)内において、不審船の乗組員が排他的経済水域における漁業等に関する主権的権利の行使等に関する法律第5条第1項の規定に違反する無許可漁業等を行っている疑いがあったとして、漁業法に基づいて停船を命令、巡視船による立ち入り検査を試みたが、当該不審船はこれを無視して逃走した。
これを受けて、巡視船は漁業法違反(立入検査忌避)容疑で上空や海面への威嚇射撃を行ったが、なおも不審船が逃走を続けたため、警告を発した後に海上保安庁法に基づいて、機関砲による船体射撃を行った。
22日深夜に、巡視船が不審船に強行接舷を試みたところ、乗員が巡視船に対して突如として小火器や携行式ロケット砲による攻撃を開始した。これを受けて巡視船側も正当防衛射撃で応射し、激しい銃撃戦が繰り広げられた。
その後、不審船は突如爆発を起こし沈没した。この銃撃戦で日本側は海上保安官3名が銃弾を受けて軽傷を負い、不審船側は推定15名の乗組員全員が死亡したものとされている(うち8名の死亡のみ確認)。
事件発生直後は「九州南西海域不審船事件」などと表現されていたが、沈没した不審船を海底から引き上げた結果、北朝鮮の工作船であることが判明し、現在では「九州南西海域工作船事件」と称される。
2001年(平成13年)12月18日頃に、在日米軍から不審船に関する情報が防衛庁に提供され、それを受けて各通信所に北朝鮮に関する無線の傍受を指示、翌12月19日に喜界島通信所が不審な通信電波を捕捉したため、海上自衛隊機は喜界島近辺海域を哨戒した
12月21日16時32分に、鹿屋航空基地所属のロッキードP-3C対潜哨戒機が、東シナ海の九州南西海域(奄美大島の北北西150キロ)において、船体に「長漁3705」と記された、漁船に似た不審船を発見した。一報は17時30分に中谷元防衛庁長官に、18時頃には内閣総理大臣秘書官、内閣官房長官秘書官、内閣官房副長官秘書官にも伝えられた。
防衛庁は、18時30分頃に鹿屋航空基地に帰投したP-3Cが撮影した画像を解析し、対象船舶は北朝鮮の工作船の可能性が高いと判断、翌12月22日1時に防衛庁長官に「工作船の可能性が高い」との分析結果が報告され、1時10分、内閣総理大臣秘書官、内閣官房長官秘書官、内閣官房副長官秘書官、海上保安庁に通報した。通報を受けた井上義行内閣官房副長官秘書官は安倍晋三内閣官房副長官らと、首相官邸別館にある危機管理センターで対応策を協議した結果、特殊警備隊(SST)の投入が検討された
同日6時20分、奄美大島の北西240キロで西進する船影を海上保安庁のビーチ350が確認、12時48分には、まず180トン型巡視船「いなさ」(当時長崎海上保安部所属)が不審船を視認した。約20分後、「漁業法励行」のため、船尾に国旗を掲揚していない不審船に対して航空機と巡視船から最初の停船命令が発せられた。
不審船はこれを無視して逃走を続けたため、拡声器と無線による多言語、旗りゅう信号、発光信号、汽笛などによる音響信号、発炎筒による度重なる停船命令を行った。しかし、不審船はさらに逃走を続け、15時ごろにはEEZの日中中間線を超えてなおも西進を続けた
この時点で「漁業法違反容疑(立ち入り検査忌避)」が成立したため、巡視船は「停船しなければ銃撃を行う」という意味の旗りゅう信号をマストに掲揚し、朝鮮語などの多言語で同様の射撃警告を行った後、逃走防止のため、海上保安庁法第20条1項を遵守しながら、14時36分からRFS付20mm機関砲による不審船の上空および海面への威嚇射撃を行った。以後、45分間にわたって断続的に計5回、段階的に警告度を高めつつ威嚇射撃を実施したものの、不審船はいずれも無視して逃走を続けた。
不審船側は立ち入り検査と威嚇射撃を止めさせるためか、乗組員が甲板上で中国の国旗のような赤い布を振って見せた。なお14時15分の時点で、縄野海上保安庁長官は、船体を狙った射撃も含めた威嚇射撃を許可していた。またこの間に、350トン型巡視船「あまみ」(当時名瀬海上保安部所属)、180トン型巡視船「きりしま」(当時串木野海上保安部所属)も現場に到着していた
海上保安庁法第20条によると、危害射撃が可能な基準(海上保安官が武器を使用して相手に危害を加えた場合に免責される基準)は警察官職務執行法第7条を準用し、正当防衛、緊急避難、重大凶悪犯罪(懲役3年以上)を犯した疑いのある者等の検挙時に犯人が逃走・抵抗を図り、これを防ぐために他に採る手段がない場合のみである。また、1999年に発生した能登半島沖不審船事件を受けて改正された海上保安庁法第20条2項によると、外国の民間船舶の領海内における航行が重大凶悪犯罪を犯す準備のために行われている疑いを払拭することができず、将来繰り返し行われる蓋然性があると海上保安庁長官が認定した場合にも、危害射撃が可能であった。
しかし、本件では不審船に同条に抵触する行為の疑いがなく、日本の領海外のEEZを航海中でもあったため、危害射撃による免責の要件を満たせず、本庁は難しい判断を迫られた。最終的に本庁は「照準性能が高いRFS付き機関砲であれば、乗員に危害を加えずに船体射撃が可能」という判断を基に船体射撃を行うことを決定した。
そして、16時13分から「いなさ」が、不審船の船尾にあると推定される機関を破壊するために、警告放送の後に20mm機関砲による射撃を行った。しかし効果はなく、なおも不審船は逃走を続けた
16時30分、180トン型巡視船「みずき」(当時福岡海上保安部所属)が追跡船隊に参入した。赤外線映像の解析により、主機は船尾ではなく前部の船倉にあることが判明した(船尾に上陸用舟艇を隠すために船首部分に機関を設置していたことが事件後に判明している)ことから、16時58分、「撃つぞ。船首を撃つから船首から離れろ」との警告の後、「みずき」搭載の20mm機関砲により、船首への射撃を行った。この際、発射された曳光弾が船首の甲板上のドラム缶に備蓄されていた予備燃料に命中、引火し火災が発生した。これにより、17時24分、不審船はようやく停船した。
しかし、乗組員によって消火器や毛布を使った消火活動が行われるとともに、延焼防止のため風上に船尾を向けて後進をかけて炎を船首に追いやることで、30分ほどで鎮火がなされ、南南西に向けて11ノットで逃走を再開した[5]。なお巡視船に取り付けられている赤外線カメラの映像で、この火災の際に不審船の左舷側から乗組員が何らかの物体を海中に投棄したのが確認されているが、物体はすぐに海中に沈んだため、回収するには至らなかった。この物体は、暗号表や乱数表などの機密性の高いもの、あるいは覚醒剤などの違法な物品ではないかと推測されている。
この間、海上保安庁側も、急行中のヘリコプター搭載巡視船「おおすみ」に乗船した特殊警備隊(SST)の到着を待っていたことから、強攻策は行われなかった。21時00分に、「みずき」が再び船体射撃を行ったが、装填していた20mm機関砲の弾薬がなくなったため、弾薬を再装填するために一時離脱を余儀なくされた。
この射撃を受けて、21時35分には不審船は再度停船したが、2分後には再度動き出した。逃走する方向には、10キロほど離れたところに無関係の中国の漁船団が多数操業していることがわかり、不審船はここに紛れ込むことを目論んでいると判断されたことから、SSTの到着を待たずして不審船を確保する必要が生じた[
不審船からの反撃と銃撃戦
22時00分、低速で逃走する不審船に対し、「いなさ」が距離を取って監視し、右舷側から「あまみ」、左舷側から「きりしま」がサーチライトを照射しながら不審船を挟撃、強行接舷し、64式7.62mm小銃で武装した海上保安官の臨検要員の突入を試みた。その際、不審船に乗っていた複数の乗組員がPK系軽機関銃およびAKS-74による銃撃を巡視船に対して開始した。
この銃撃を受けた巡視船は、サーチライトを消灯し、全速力で退避しながら20mm機関砲による正当防衛射撃を行なった。「あまみ」の海上保安官は、あらかじめ不測の事態に備えて装備していた64式7.62mm小銃による正当防衛射撃を直ちに行った。不審船乗組員はたZPU-2機関砲や小火器を用いて執拗な攻撃を繰り返した上、RPG-7から2発を発射した。しかし、波で激しく船体が揺れていた上に、視界不良もあって巡視船に命中することはなかった。
このRPG発射の様子は、上空を飛んでいた海上保安庁機の採証装置(赤外線カメラ)に映像として記録された。「あまみ」から撮影していたビデオ映像にも、画面は真っ暗だったが、飛翔体が「あまみ」の上を通過した音が記録されており、これはRPGの弾体が通過した音と推定されている。
防弾の施されていない「あまみ」は、銃撃戦による被害が大きく、船橋を100発以上の銃弾に貫通され、3基ある主機のうち1基が破損、乗組員3名が銃撃戦で負傷した。また、射撃を受けた際に「後進いっぱい」を命じたため、船体後部のスリップウェイ内の搭載艇が波浪で押しつぶされるなどの被害も発生している。「いなさ」も防弾化されていなかった主船体部を銃弾が貫通、右舷機冷却系統に被弾し機関停止した。一方、日向灘不審船事件を契機に誕生し、船橋部分が防弾化されていた「きりしま」の損害は軽微であった。不審船の乗組員は、視界不良の中で巡視船が放つ曳光弾の光を頼りに、なおも自動小銃で攻撃した。
銃撃戦が長引いた理由としては、海上保安庁は警察機関の一つであり、該船(取締り対象の船)の撃沈や乗員の殺傷による無力化ではなく拿捕・検挙を目的とするため、20ミリ機関砲が持つ本来の3,000発/分の発射速度を500発/分に制限しており、弾薬も、警告射撃の際に被疑者に光で警告する効果を期待して曳光弾と普通弾を保有しているが、炸薬を充填した榴弾を保有していないことがあげられた
22時13分、不審船は巡視船と銃撃戦の末、突如爆発、炎上を起こして[3]東シナ海沖の中国EEZ内で沈没した(爆発による火柱が吹き上がるのと同時に沈没したことから、轟沈とも表現される)。不審船が自爆する瞬間まで、乗組員は巡視船に向けて自動小銃を発砲し続けた様子が映像に記録されている。沈没の直後、弾薬の補給を終えた「みずき」も現場に戻ってきた。
その後の捜査で、爆発の直前に不審船から北朝鮮本国に「党よ、この子は永遠にあなたの忠臣になろう」「マンセー」とのメッセージを含んだ電波が発信されたことが判明しており、自爆したものと推測された。
23時45分、海上保安庁の巡視船と航空機は、乗組員6人が漂流しているのを発見したが、抵抗や自爆攻撃の恐れがあったため、救助行為を行えなかった。「みずき」船長の証言では、海上保安官が小銃を向けて警戒しつつ救助用の浮き輪を投げたが、乗組員達はこれを拒否して沈んでいったという
結局、乗組員4名が遺体となって回収された。遺体はDNA鑑定の結果、「朝鮮人又は韓国人である可能性が極めて高い」と判断された
小泉政権は断固引き上げを前提として中国政府と交渉を重ね、最終的に2002年6月18日に口上書が交わされ[7]、日中外相会談にて確認された
これを受けた海上保安庁は、「90メートルもの深海に沈んだ船を引き揚げてどうする」という反対意見や台風などの困難がありながらも、捜査の一環として沈没した不審船の引き上げを敢行した。なお、自国EEZ内での引き上げ作業や捜査を許可した中国側に対し、漁業補償の意も込め日本国政府から1億5,000万円の「捜査協力金」が支払われた。
沈没した不審船の船体および海底に散らばった遺留品は、2002年9月11日に海中より回収され、鹿児島県の港に運び込まれ、鑑識による分析が行われた。その結果、「船は北朝鮮の工作船であり、遺体で回収された乗組員は北朝鮮の工作員である」と断定された。遺体は被疑者としての鑑定後、北朝鮮への返還が検討されたものの、北朝鮮政府および朝鮮総連が無関係の態度を貫いたことから、行旅死亡人として扱われ、火葬された上で鹿児島市の無縁仏草牟田墓地内の無縁者納骨堂に葬られた。事件は漁業法違反と刑法の殺人未遂罪で鹿児島地方検察庁に送致された後に、被疑者死亡により不起訴処分となった。
船体の引き上げによって得られた成果の一つには、工作船の弱点に関する発見があった。海上保安大学校では、研究チームが船体を検分して精密な模型を制作し、様々な実験を行なったところ、波の高さが3メートルを超えた場合、不審船の速力は大幅に低下することが判明した。これにより、事件当時、工作船が悪天候の中を低速で逃走した謎は解明された。
捜査の結果、この事件で沈没した工作船は、3年前の1998年に南西諸島沖の東シナ海で日本の暴力団に覚醒剤を売り渡していた船だったことが余罪として発覚した。この工作船から覚醒剤を受け取った暴力団員らは、後日高知県窪川町の海岸に覚醒剤の陸揚げを謀った「高知県沖覚醒剤密輸事件」を引き起こし、検挙された[要出典]。
押収された遺留品は、日本国内用の携帯電話(J-PHONEプリペイド式携帯電話「J-T03」)、GPSプロッター、ポケコン、トランシーバー、アイコムのオールモードアマチュア無線機(以上は日本製)、鹿児島県枕崎市沿岸の詳細な地図、金日成バッジなどであった。
当時は、携帯電話の契約者の身元を確認するシステムが甘く、契約者の特定には至らなかったが、岐阜県内の販売店で購入されたものであった。そのメモリーには、日本国内にある反社会的勢力(指定暴力団)の密接交際者で、身分を偽るため在日本大韓民国民団に偽装在籍していた特別永住者の在日韓国人男性「U」との数十回におよぶ通話記録が残っていた
北朝鮮工作機関による犯罪の多くは、日韓併合の歴史的経緯により日本で生まれ育った「土台人」と呼ばれる特別永住者の人脈を利用して行われたとされる。元公安調査庁長官が退官後に報道機関に明らかにした談話によれば、暴力団やフロント企業などの反社会的勢力の内部には、すでに土台人の人脈が張り巡らされ、対日有害活動が行われていると言われている
この事件がきっかけで疑惑の人となった「U」は、無職者であるにもかかわらず、出処不明の大金をつかんで高級クラブ通いやゴルフ会員権取得などの豪遊を繰り返していたが、公安警察が身辺を洗い出していくうちに、密接交際者として敢行した様々な犯罪への関与が明白となった。2004年に、ついに「U」は2001年に窃盗犯から8台の盗難車を購入し、北朝鮮に不正輸出しようとした罪で逮捕された。
さらに「U」は、日朝首脳会談が行われ、拉致被害者5人が帰国を果たした直後の2002年10月に「ツルボン1号事件」を起こした疑いでも逮捕されている。この事件は、「松山眞一」ことチョ・ギュワ会長が率いる「極東会」および、「牧野国泰」ことイ・チュンソン会長が率いる「松葉会」に属していた暴力団幹部2人(被告「F」、「M」の両名)と「U」が結託し、日本人の漁師を脅迫して取り上げた漁船を使い、鳥取県沖の海上で北朝鮮からやってきた貨物船「ツルボン1号」と会合し、230kgもの覚醒剤を密輸した罪が発覚し、公安警察に再逮捕されたものである。
北朝鮮の工作船は、漁船を偽装するものと決まっていたが、「ツルボン1号」の件を見る限り、貨物船が転用される場合もあるものと見られた。被告は「F」を除き容疑を否認。「ツルボン1号事件」の一審では、「F」の自白が全面的に認められ、「U」と「M」に無期懲役判決が下されたが、一転して第二審となる高裁では「F」の自白について、「警察による『F』への誘導尋問や誤導尋問が招いた虚偽の自白」であると認定され、一審判決を破棄し「U」と「M」に無罪を言い渡した。
なお「F」は一審の公判中に癌を患い、勾留停止となって入院したところを警察の失態から病院から脱走し、逃走から約1ヵ月後に癌で病死した状態で発見された。
現在警察庁では、朝鮮学校元校長の曹奎聖(チョウ・キュウソン、通名:夏川奎聖、異名:ソーケイセイ)をインターポールに国際手配している。警視庁および山口県警の発表によると、曹は2000年、北朝鮮の元山(ウォンサン)において覚醒剤およそ250kgを仕入れ、船籍不詳の不審船を使って島根県の海岸から密輸入した疑いがもたれている
工作船は、固有の武装として対空機関砲を備えていたほか、多くの携行兵器が積み込まれていた事が判明した。携行火器は、朝鮮人民軍の第一線にもあまり配備されていない最新鋭の物ばかりであった。RPG-7や無反動砲といった対戦車兵器は、無誘導ながら非装甲の巡視船に命中すれば上部構造のあらゆる部分の外殻を成型炸薬弾の効果によって貫通し、撃破できた。
また、AKS-74の放つ小口径高速弾や82式機関銃が掃射する機関銃弾(フルサイズ小銃弾)は、事件当時の海上保安官に支給されていた防弾ベストを貫通して殺傷する能力があった。
固有武装のZPU-2対空機関砲は、かつての対戦車ライフル用弾丸を使用しているため貫通力に優れており、対人で使えば防弾ベストを着用していようと即死は免れない上、巡視船や航空機の外殻を貫通してしまう恐れが高かった。また、9K310 イグラ-1携行対空ミサイルは5kmの射程を持っており、チャフやフレアといった軍用の防御装備を持たない当時の海保機にとっては大きな脅威であった
最終的に回収できた兵器は以下の通り。
引き揚げ直後は、検証終了後にスクラップ処分される予定であったが、日本財団が、すべての経費を負担して東京都への移送と展示を実施。
回収された工作員の武器も、検証終了後には安全化処理として銃身の内部や雷管を破壊され、武器としての能力を完全に喪失した無可動実銃の状態で、展示場所となった東京都江東区の「船の科学館」の羊蹄丸船内に移送された。「船の科学館」は公開場所の無償提供を行い、当初は2003年9月までだった展示期間を延長して2004年2月まで一般公開された
当初は、その後の継続的な保存に必要な資金が調達できなかったことから、「船の科学館」での一般公開終了後にはスクラップ処分される予定だったが、石原慎太郎東京都知事ら多くの人々の反対と、海上保安協会に寄せられた多くの人々からの寄付によって処分は中止され、横浜市に移送された。
同年12月10日から横浜海上防災基地内の「海上保安資料館横浜館」(工作船展示館)で展示された。薄い高張力鋼でできた船体は劣化が進んでいるが、補強用のワイヤを追加するなどの対策を施しながら公開が継続されている。見学は無料である。
他方、工作船からの銃撃によって破壊された巡視船「あまみ」の船橋部分は、修理の際に船から切り取られて千代田区霞が関の国土交通省庁舎にて期間限定で展示された後、広島県呉市の海上保安大学校に展示されており、同校への来校者は無料で見学することができる
この事件は、旧ソビエト連邦のスパイ船である「ラズエズノイ号事件」以来、48年ぶりに行われた他国船艇への船体射撃だった。北朝鮮工作機関の犯罪行為が白日の元にさらされた事は、拉致事件に揺れる日本の世論にも大きな影響を与えた。
海上自衛隊は海上警備行動こそ発動しなかったが、海上保安庁と連携して対応に当たった。一連の不審船事件は海上防衛の在り方にも一石を投じた事件であった。海上保安庁は、今回の事件を教訓に、現場の海上保安官(乗組員)の生命保護のため巡視船艇の防弾化および相手船舶を安全な距離から停船させるために高機能・長射程の機関砲の搭載、船艇の高速化、海上警備における水産庁の漁業取締船との連携強化、航空機の輸送力アップなどを急速に進めることとなった。
また、一部航空基地に配属が進んでいる機動救難士の発足の理由の一つとして、救急救命士資格を持った機動救難士による現場海上保安官の直接救護の目的もある。海上保安官に対しては、性能のよい防弾ベストを支給し、対テロ訓練を行わせている。
日本財団では、この事件をきっかけとして、海上保安協会とともに海上保安庁公認の防犯ボランティア組織「海守」を結成し、インターネットなどを通じて工作船への警戒や海の事故への注意を呼び掛けた。海守には約6万人の会員が加入していたが、その後解散した。
和田春樹は「漁業法違反」という名目での初動捜査や、まだ工作船から武力攻撃を受けていなかったにもかかわらず「先制攻撃的」に船体射撃を行ったことを、「法解釈の間違い」や「違法な戦闘行為」とし、海上保安庁を批判する自論を展開した[11]。また「朝日新聞」の小池民男は、1月6日の天声人語において、「明らかに風邪と思われる症状が多数出ていても風邪と断定できないように、沈没したのは『不審船』と断定はできない」と、北朝鮮擁護とも取れる内容を寄稿した。
海上治安研究会によれば、本件ではRFS付きの武器の使用により、危害射撃要件を定めた海上保安庁法第20条に抵触しない、乗員の死傷を避けた射撃が行えると判断して船体射撃を実施した


2004年(平成16年)3月29日にアメリカ陸軍のグリーンベレー(アメリカ陸軍特殊部隊群)およびデルタフォースのような特殊部隊を目指して設立され、第1空挺団の拠点である習志野駐屯地に群本部を置く。初代群長は直接部隊創設に携わった荒谷卓が就任した。荒谷の下で準備の実務に当たったのは、のちに西部方面普通科連隊長となる黒沢晃である。
発足当時の陸上幕僚長、先崎一陸将は記者団に対し会見で「(隊員には)ハードな知識や技能、メンタルな部分が要求されるので(特殊作戦群の実戦化には)10年 - 15年はかかると思う」と述べており、初代群長の荒谷卓は、訓練や練度は部外者が知り得ない防衛秘密であり、守秘義務に抵触するとして言及を避けている。有事の際は、他の陸上総隊隷下部隊(第1空挺団、水陸機動団、第1ヘリコプター団(第102飛行隊)、中央即応連隊等)や任務に該当する一般部隊、場合によっては海上自衛隊、航空自衛隊などと連携し全国規模で行動する。
選抜試験の受験資格は公開されていない。公表されている防衛省訓令では、特殊作戦隊員の要件として、空挺基本降下課程、もしくは空挺基本降下課程と特殊作戦課程両方の履修が必須とされているが、レンジャー資格については特に書かれていない。選考検査(セレクション)から教育(特殊作戦課程)を経て特殊作戦群の隊員になれるのは訓練参加者全体の1割から3割程度といわれている。
母体が第1空挺団であったため設立当時は空挺団内から優秀な隊員を選抜にかけていたが、以後は全国の隊員から職種に関係なく選抜されている。最初のセレクションに約2週間、セレクションを突破した隊員のみさらに1年間選考をかねた特殊作戦課程が行われる。セレクションを突破した隊員の中で空挺徽章を持っていない隊員は、第1空挺団の基本降下課程へ入校し卒業後、特殊作戦課程へ入校する。卒業し特殊作戦群の隊員になっても、陸海空の各種教育(海上自衛隊のスクーバー課程、陸上自衛隊の自由降下課程、冬季遊撃レンジャーなど)を受ける必要があり、中隊要員として中核をなす隊員になるには、セレクションから約数年はかかるとされている。
セレクションにおいては肉体的に優れた者が集まるため主に精神的ストレスをかけ、その耐久力を観察するという方法が取られている。創設時のセレクションにおいては各部隊が自信を持って送り出した優秀な人材を次々と脱落させたため、抗議が殺到したものの、初代群長の荒谷卓は一切取り合わなかった

イラク派遣前に普通科部隊と合流して訓練した際には、生身の隊員を的の両わきに立たせて10m以上離れた場所を移動しながら拳銃の弾を的に命中させるなど、諸外国の特殊部隊と同様に一般部隊ではありえない訓練を行っている。
隊員の意欲は高く、使いやすい装具や衣類を自費で購入したり休暇に自費で海外のボランティアや民間軍事会社 (PMC) での研修を行う者も多く存在する。初代群長の荒谷卓も2、3日の休暇であっても訓練の制約の多い日本を離れて海外でトレーニングするなど、最初の1年でほぼ全財産の300万円以上を投じたとされる。
特殊作戦群が創設された当初は空挺団から裏切り者扱いされたり手当などで冷遇を受けたものの、文句を言う隊員は誰もいなかったと言う。 公の場(日本国内)に姿を見せたのは上級単位である中央即応集団(~2018年)及び陸上総隊(2018年~)における式典のみで、その際も目出し帽で顔を覆った一部の隊員と群長のみが出席するなど秘密部隊として徹底した機密情報の保持がなされている。



| 特殊作戦群 | |
|---|---|
中央即応集団編成完結行事に参列した 特殊作戦群隊員 | |
| 創設 | 2004年(平成16年)3月29日 |
| 所属政体 | |
| 所属組織 | |
| 部隊編制単位 | 群 |
| 兵科 | 諸職種混成 |
| 兵種/任務/特性 | 特殊部隊、諸職種混成、対テロ、対ゲリラコマンド、空挺 |
| 人員 | 約300名[1] |
| 所在地 | 千葉県 船橋市 |
| 編成地 | 習志野 |
| 愛称 | S,特戦,特作,特戦群 |
| 上級単位 | 陸上総隊 |
| 担当地域 | 全国(海外も含む) |
| 官職名 | 階級 | 氏名 | 補職発令日 | 前職 |
|---|---|---|---|---|
| 特殊作戦群長 | 1等陸佐 | 後藤仁志 | 2020年8月1日 | 陸上自衛隊教育訓練研究本部 訓練評価調整官 |
| 代 | 氏名 | 在職期間 | 前職 | 後職 |
|---|---|---|---|---|
| 1 | 荒谷卓 | 2004年3月29日 - 2007年3月22日 | 第1空挺団本部勤務 | 陸上自衛隊研究本部主任研究開発官 |
| 2 | 古田清悟 | 2007年3月23日 - 2009年11月30日 | 陸上自衛隊研究本部研究員 | 統合幕僚監部運用部運用第1課 特殊作戦室長 |
| 3 | 青木伸一 | 2009年12月1日 - 2012年3月31日 | 中央即応集団司令部付 | 中央即応集団司令部幕僚副長 |
| 4 | 平田隆則 | 2012年4月1日 - 2015年3月31日 | 中央即応集団司令部付 | 陸上自衛隊研究本部主任研究開発官 |
| 5 | 上大迫淳 | 2015年4月1日 - 2017年7月31日 | 中央即応集団司令部付 | 陸上自衛隊研究本部主任研究開発官 |
| 6 | 藤村太助 | 2017年8月1日 - 2020年7月31日 | 第14旅団司令部第3部長 | 統合幕僚監部運用部運用第1課 特殊作戦室長 |
| 7 | 後藤仁志 | 2020年8月1日 - | 陸上自衛隊教育訓練研究本部 訓練評価調整官 |



































第二次世界大戦時、ドイツ海軍潜水艦隊司令長官だったカール・デーニッツが、複数の潜水艦で連携を取りながら敵の輸送船団を攻撃する群狼作戦を考案し、潜水艦も積極的に通信することが求められるようになりました。しかし、当時の潜水艦は他艦との連絡を短波無線で行っており、無線機を使うためには水面に浮上する必要がある上に、通信の内容を敵に探知される可能性がありました
ドイツと同様の作戦を実行していたアメリカ海軍は、潜水艦が水中でも通信できるようにするために、「AN/BQC-1A」、別名「ガートルード」という通信機を導入しました

ガートルードはバッテリー駆動の水中電話で、アマチュア無線機では一般的なSSB通信方式を採用していました。ガートルードはおよそ4~5kmの範囲にいるソナー配備済みの他艦を24.26kHzの超音波で呼び出すことが可能で、およそ365m以内の距離であれば8.3375kHzから11.0875kHzの搬送波で音声通信をすることができました。ただし、塩分を含む海水中は空気中よりも電波干渉が強いため、信号の減衰や損失が発生しやすかったそうです
第二次世界大戦が終わり、数カ月にわたって潜水活動を行える原子力潜水艦が登場すると、潜水艦の役割は「連携を取りながら敵輸送船を攻撃するユニット」から「海から核ミサイルを発射できるユニット」に変化。そのため、潜水艦のステルス性はこれまで以上に重視されるようになりました
しかし、潜水艦から陸上に向けて信号を送信することは自分の居場所をばらすことになる上に、大きな容量のデータを送信できるだけの設備を潜水艦内に整えるのは難しいものがあります。そのため、冷戦時代の潜水艦の通信システムには「陸上の送信局から発信された戦術命令を、ステルス性を損なわずに受信すること」が求められることとなりました

通信に使われる電波は、周波数によってその性質が大きく変化します。3MHz~30MHzの短波帯(HF)と30kHz~300kHzの長波帯(LF)は、陸上であれば電離層での屈折によって地球全体まで到達することが可能ですが、海水中では急速に減衰してしまうため、海中にいる潜水艦との通信に使うには向いていません
3kHz~30kHzの超長波帯(VLF)だと、水深20メートルまで通信することは可能ですが、潜水艦のステルス性を確保するには十分な深さではありません。しかし、さらにもっと低い周波数となる3Hz~300Hzの極超長波帯(ELF)だと、水深120メートルという十分な深さまで通信可能になるとのこと。そこで、アメリカ海軍は1968年に「Project Sanguine」と呼ばれるプロジェクトを推進し、ELFでの通信システムの構築を計画しました
ただし、ELFは電波を送信するためには巨大なアンテナと高出力の送信機が必要となります。そこで、Project Sanguineでは、アメリカ北部・ウィスコンシン州の州土40%近くにアンテナケーブルを埋めて800メガワットの電力で稼働する高出力の巨大送信局を建設しました
送信機はウィスコンシン州とミシガン州に建設されました。花こう岩の岩盤に打ち込まれた木製の支柱に張られたアンテナの長さはおよそ22~44kmで、通電するとELFを発信する巨大な磁場が生成されました。つまり、巨大な岩盤をまるごと無線通信用のアンテナにしてしまうというわけです

しかし、ELFによる潜水艦との通信システムは反戦団体や環境団体から「予算の無駄遣いだ」「電磁波が周囲の環境に与える影響を無視している」と猛反対を受けることとなりました。また、アメリカ北部に建設された巨大送信機はアメリカ南部・フロリダ半島沖の水深122メートルにメッセージを送ることができたそうですが、帯域幅が非常に狭かったため、3文字の短縮暗号を送信するのに15分もかかってしまったとのこと。さらに、通信技術の進化によって「空中の巨大輸送機を中継ポイントにしてVLFやHFによる通信を行う」という方法が確立されたため、このELFによる通信システムは2004年で廃止されました。
そして現代になり、水中での通信技術はさらに進化を遂げています。2020年6月に発表された論文では、Raspberry Piを含む既製のコンポーネント、LED、レーザーを使って水中でインターネットの無線接続を可能にするシステム「Aqua-Fi」が発表されています。キングアブドラ科学技術大学の研究チームによる実験では、防水スマートフォンと青~緑色のレーザーを使うことで、2.11Mbpsという速度でSkype通話を行うことに成功したとのこと。

サウジアラビア・アブドラ王立科学技術大学(KAUST)は、データ送信ができる水中ワイヤレスシステム「Aqua-Fi」を開発した。ダイバーが海中からLEDやレーザーによる光ビームを介して、マルチメディア通信することが可能になるシステムで、2020年6月9日、『IEEE Communications Magazine』に掲載されている
学術的にも産業的にも水中環境を詳細に監視、調査したいというニーズは多いが、水中からインターネットに接続するのは容易ではない。水中で通信を行う手法としては、無線や音響、可視光などによって実現可能だが、無線は到達距離が短く、音響はデータレートが遅く、可視光は送信機から受信機へと妨げられることのない経路が必要になる
今回開発されたAqua-Fiのプロトタイプは、緑色のLEDまたは520nmのレーザー光を使用してデータを送信するものだ。LEDが近距離通信用の低エネルギーオプションで、より多くの電力を消費するレーザーを使って遠距離へとデータを伝送する
研究チームは、静水中で数m離れた2台のコンピューターを使い、マルチメディアデータを同時にアップロードおよびダウンロードするテストを実施した。最大データ転送速度は毎秒2.11メガバイト、平均遅延は往復で1.00ミリ秒だった
実際のアプリケーションでは、ダイバーのスマートフォンから水中装備に装着されたゲートウェイデバイスにデータを無線送信し、ゲートウェイが水面上のコンピューターに光ビームを介してデータを送信、そこから衛星回線を使ってインターネットに接続することになる
研究チームはAqua-Fiの実用化に向け、より高速な電子部品を用いてリンク品質と伝送範囲を改善することを考えている。また、動きのある水中で光ビームをレシーバーと完全に位置合わせするため、入射角度の広い球形レシーバーの採用を検討している
使用帯域幅は広く占有出来ず、オメガ航法、標準電波など低速信号の送信や、深度およそ10 - 40メートル(周波数と水の塩分にも依存)の水中を透過出来るため水面付近の潜水艦との通信に用いられる。送信設備は非常に大規模で有事には攻撃対象になりやすく、アメリカ海軍はTACAMO(Take Charge And Move Out)計画で航空機による通信中継を企図してE-6 マーキュリーを開発した。
受信にはスーパーヘテロダイン方式などの受信機の他、適切なアンテナや同調回路を使用すればアナログ-デジタル変換回路により復調することもできる。
極超長波の定義については、若干の揺れが生じている。国際電気通信連合(ITU)においては、VLFよりも低周波にULF(ultra low frequency, 300Hz–3kHz)及びELF(extremely low frequency, 3Hz–300Hz)の区分を設けている。
その上で、文部科学省のサイトではULF及びELFを極超長波[2]、経済産業省のパンフレットにおいてはULFを極超長波、ELFを超低周波としている。前田幹夫ほか(2013)では、SLF(super low frequency, 30Hz–300Hz)の区分を加え、ULF・SLF・ELFを極超長波としている。英語圏でも定義には混乱があり、文献によってはELFを日本語の極超長波と同じ意味で用いている場合も多い。
搬送波の周波数が極めて低く、通信速度の上限も極めて低い。テキストデータの場合、3文字の送信に15分も掛かるなど非常に低速である。また、送信設備のアンテナ長も90kmと極めて巨大になるために、通信設備の建設費用が高価である。従って、ELF帯以上の周波数の電波が到達しない場所と通信する場合に限り利用される。
極超長波は大地や水中を通り抜ける。従って、通常の環境下での通信に利用される周波数の電波が急激に減衰して利用不可能になる場所との通信に利用される。例えば、鉱山内外での通信の他、海中を航行する潜水艦への短縮コードを用いた指令送信(潜水艦側からの返信は不可能)にも利用されている。
いくつかの観測局が、地震の前に極超長波のスパイク状の信号が観測されたと報告している。例えば、1989年にカリフォルニア州で発生したロマ・プリータ地震などである。この現象が地震の早期警戒システムに利用できるとして、地震と極超長波との関係が研究されている














海中においては電波が減衰しやすいため、海中を航行する潜水艦に対しては、通常の・などの通信は不可能であり、水中も実用化されていない。通信設備としては、比較的海中を透過しやすい(VLF)などを利用し地上との通信を行うがVLFでは多量の情報を受信することが難しく、また潜水艦側からの発信もできないために、必要に応じて露頂し、短波・極超短波やを行なう。
(ULF)は海中深くまで到達するので、潜水艦は最大潜行深度付近で受信可能である。ただし、送信できるデータ量が非常に少ないので、大量の情報受信には向かない。また、ULFは送信するために、全長数十kmに渡る長大なアンテナ施設が必要で、の際にはこれらの施設の脆弱性に問題がある。陸上からの単方向通信であり、潜水艦からの送信は不可能である。
(VLF)は海中深度10m程度まで到達するので、深度数メートル程度を潜行すれば受信可能である。実際はそこまで浅く潜ると発見される可能性が高まるが、曳航ブイまたはフローティング・アンテナを使用すれば、潜水艦本体は深深度で受信が可能となる。しかし、送信できる情報量が少ないので、大量の情報通信には向かない。また陸上からの単方向通信であり、潜水艦からの送信は不可能である。
送信するには巨大な地上アンテナ施設を使う他、潜水艦が存在する海域の上空で長いアンテナを曳航して電波を受信し、信号を別回線により地上へ伝送するTACAMO機(空中通信中継機)も利用されている。TACAMO機としてはやなどがある。
を利用できる国では、通信衛星との間で送信により送受信を行うことができる。マイクロ波は海中まで到達しないので、通信時には潜水艦のアンテナを海面上に露出させる必要があり、敵に探知される可能性が高まる。しかしマイクロ波は大量情報の送受信が可能なため圧縮通信を行なえば作業は短時間で済む。
水中電話を利用することにより、潜航中の潜水艦同士や水上艦と通信を行なうことができる。また、海底の要所に音波を利用した通信中継装置を設置し、それをで地上施設と結ぶ事で、潜水艦との通信を行う。時には、アメリカおよびソ連海軍が音響通信装置を多数敷設した。

















向けの(VLF)送信施設として新設されたものである。えびの市北部の丘陵上にあり、建設に際しては反対運動もあっ。1986年にえびの市に開設の打診がなされ、(平成3年)に完成している
海上自衛隊では、潜水艦通信の充実を図り、1980年代初頭よりVLF送信施設の整備を検討していたにも整備が明記される等、重要施策であり、当初はでの建設も検討されたが、最終的にはえびの市に建設された。
えびの送信所は、中央システム通信隊が管理・運営を行っている。これ以前はのを用い、による対潜水艦送信を行なっていた。中央システム通信隊では、他に通信施設としてに市原送信所、に飯岡受信所を運用している。
稼働中の超長波通信施設としては日本国内唯一のものであり、使用周波数は22.2kHz、出力200kW、識別符号JJI。また電波特性上、(製)も巨大で高さ約160mから約270mの4基2列、計8基の鉄塔間にアンテナワイヤーをめぐらしたものとなっており、これは日本で最も大きなアンテナとなっている













核戦争への対応を前提としているため、搭載する電子機器にはにより発する(EMP)に対するシールドが施されている。搭載する通信機器を介したアメリカ軍部隊・部隊・部隊の指揮能力を持つ。この機はの空軍第55航空団に所属し、4機が就役している。が管理を行い、の指揮を受ける。アメリカ合衆国大統領の近くには必ず1機以上のE-4Bが待機し、大統領が()で外遊する場合などでも必ず随行する(近隣の空港・在外アメリカ軍基地にて待機する)一時、退役が検討されたが、2011年から近代化改修が行われているなお、E-4就役時には大統領専用機(エアフォースワン)にはが用いられており、E-4はあくまでも有事用の機体であった。2001年9月11日に発生したでは、事件発生直後に上空を飛行している姿をが撮影しているが、アメリカ政府公式報告の中に、同機に関する言及がない。
、周辺でが発生、軍用機10機が損傷を受けた。この中には普段、動静が明らかにされていないE-4が2機含まれており注目を集めた
現在では国防長官の外遊にも使われ、飛行中に同行した記者団に会見するE-4Bのベース機であるボーイング747-200Bと基本的に飛行性能は同じであると思われる。しかし、任務に応じた改造がなされている。
















