数年前に購入するまで、このセットのことは聞いたことがありませんでした。セットに付属のテクニカルマニュアルは1954年のもので、1960年と1962年に変更が加えられています。オンラインでマニュアルを見たことがないので、スキャンしました。
テクニカルマニュアルでこのセットを紹介します。
可聴周波数モニターAN / PTA-1(図1)は、電話回線やフィールドケーブルを介して送信される通信信号を傍受するために使用されるワイヤータッピングデバイスで、200サイクル/秒(cps)から8,000cpsの範囲の周波数が使用されます。傍受された信号は、機器に付属のヘッドセットアセンブリで拾うか、サウンドレコーダーに録音することができます。録音機器は、可聴周波数モニターAN / PTA-1の一部として提供されていません。セットは輸送の便宜のために2つのユニットに詰められており、一人で簡単に輸送できます。
可聴周波数増幅器AM-558 / PTA-1およびキャンバスバックパック。
アンプには耐候性カバーとキャリングストラップが付いています。アンプの蓋には、延長ケーブル付きのヘッドセット、クランプオン誘導ピックアップコイル、および絶縁された野戦電話線に直接接続するための絶縁貫通クリップ用の収納スペースがあります。
可聴周波数増幅器AM-558 / PTA-1、ケースが開いており、機器と付属品が表示されています。
キャンバスのバックパックが開いており、つま先プレートとアースロッドが所定の位置にあります。
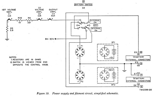
アンプは、内部バッテリー(BA-409 / UおよびBA-415 / Uにそれぞれ1つずつ)または外部電源のいずれかで電力を供給できます。いずれの場合も、チューブフィラメントには6VDC 50mA、チューブプレートには90VDC5mAが必要です。1,000サイクル/秒(cps)で90dBの最小ゲインがあり、公称周波数応答は200 cps〜8,000cpsです。切り替え可能な300cpsのハイパスフィルターと、切り替え可能な3,000cpsのローパスフィルターを備えています。+ 10dBmのオーディオ出力電力を提供します。入力インピーダンスは20オームから500kオームまで調整可能で、電話回線に直接接続するためのさらに高いインピーダンスモードがあります。野戦電話接続用の避雷器が2つ含まれ、さらに2つのスペアがケース内に保管されています。セットには録音機能は内蔵されていませんが、録音機器RC-169などの外部録音機器で使用できます。
可聴周波数増幅器AM-558 / PTA-1、バッテリーおよび避雷器の場所。
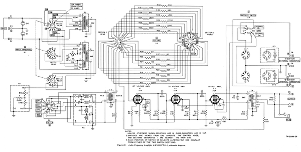
アンプは3つのチューブを使用します:2つの1U4五極管と1つの3Q4五極管。ボリュームコントロールは、ポテンショメータではなく、切り替え可能な減衰器を介して行われます。
可聴周波数増幅器AM-558 / PTA-1、概略図。
傍受方法
このセットでは、5つの異なる傍受方法が可能です。それらに入る前に、アナログ野戦電話で使用される配線には2つの異なるスタイルがあることを理解することが重要です。1つのスタイルでは、ステーション間で1対のワイヤーを使用します。このスタイルは、クロストークやその他の干渉を受けにくく、回路の不正な盗聴方法が少ないため、好ましい方法です。しかし、便宜として、ステーション間に1本のワイヤがあり、回路のリターンパスが各ステーションのグラウンドステークを介して地面を通過する別のスタイルの配線があります。この2番目のステーションには、半分のワイヤを使用するという利点があります。また、1つのワイヤが切断されたときに、損傷した回路をすばやく動作に戻すために使用することもできます。
最も簡単な傍受方法は、タップするワイヤに直接接続することです。この方法は、2線式またはグランドリターン回路のいずれかで使用できます。これは最も信頼性の高い接続を提供しますが、敵が検出する最も簡単な方法でもあります。以前の接続からの目に見える接続および/またはワイヤ絶縁の損傷は、敵によって見られる可能性があります。敵は、接続時にカチッという音が聞こえたり、アンプとその配線からの負荷による回路特性の変化を測定したりすることもあります。

直接接続傍受方式。
次の2つの遮断方法では、誘導的または容量的に回路に間接的に結合します。これらの方法は、2線式回路とグランドリターン回路の両方に使用できます。セットには、クランプオン電流プローブのように機能するクランプオンオーディオトランスが含まれています。このトランスを使用して、タップする回路に誘導的に結合することができます。容量結合の場合、特別な機器は必要ありません。タップする回路の1つの導体に絶縁電線を巻き付けて、容量的に結合するだけです
誘導ピックアップ傍受法。
容量結合遮断法。
グランドループインターセプト法。

接地棒遮断法。
エピローグ
私のMRCG仲間の1人は、この興味深いキットを実際に使用できる数少ない人の1人です。彼は洞窟探検で使用するための地上復帰野戦電話システムを作る洞窟探検家です。私は彼にこのセットを所有していないことを話させました。私はそれについての好奇心を満足させました、そして今、私はクールな古いがらくたで少しだけ詰め込まれていないQTHを持つことを楽しむことができます



TM11-2099(70M PDF)
PTA-1プレゼンテーション(450万PDF)
米軍戦場通信
戦術通信および保護システム(TCAPS)
RADIO TELETYPEWRITER AN/GRC-46
Sixteenth meeting of the Military Radio Collectors Group (MRCG), 6 - 7 May 2011. Camp Can Luis Obispo, CA,
MRCG Summer Field Day held at Fort MacArthur, San Pedro, CA, 11 Aug. 2012. Featuring the Fort's M16 half-track.
Demonstration of an SCR-178 field set at the May meeting of the Military Radio Collectors Group (MRCG) at Camp San Luis Obispo, CA
Selected video clips taken at the April 30 - May 1, 2010 MRCG meeting at Camp San Luis Obispo, CA.
MRCG Field Day 2008 held at Ft. MacArthur in San Pedro, California




















































































































































































































































































































